詳細介紹
| 產品概述 三通球閥可分為L形和T形,L形(Q44F)三通球閥用于介質流向的切換,能使相互垂直的兩個通道連接;T形(Q45F)三通球閥用于介質分流、合流及流向切換。T形三通可以使三個通道相互連通或使其中的兩個通道連通。三通球閥一般采用兩閥座結構,亦可根據用戶要求采用四閥座結構。 主要性能規范
主要零件材料
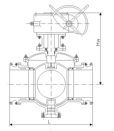
主要外形和連接尺寸
產品尺寸![]() | ||||||||||||||||||||||||||||||||||||||||||||||||||||||||||||||||||||||||||||||||||||||||||||||||||||||||||||||||||||||||||||||||||||||
溫馨提示:“Q44F不銹鋼三通球閥”所有文字、數據、圖片均只適用于參考。
如需與實物相吻合的性能參數、結構尺寸參數等詳情請來電來函索取。
電話:021-68103333 傳真:021-51686322
如需與實物相吻合的性能參數、結構尺寸參數等詳情請來電來函索取。
電話:021-68103333 傳真:021-51686322

軟密封蝶閥視頻介紹





掃一掃關注我們